社会
- HOME
- 会社情報
- サステナビリティ
- 社会貢献活動
- Newテクノマート(創)
- 新刊・バックナンバー
知財戦略情報誌「NewテクノマートSO(創)」
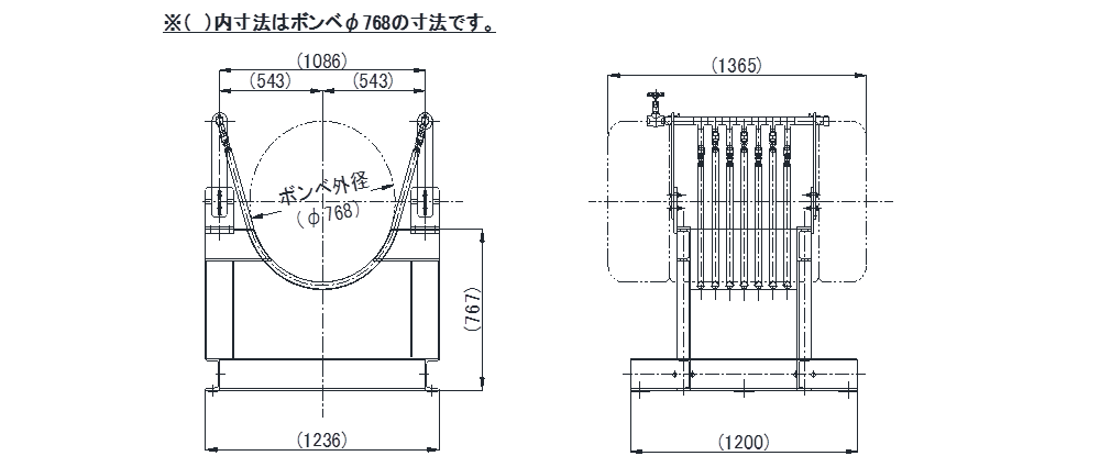
液体容器の加熱器および加熱装置
大型の液化ガス容器などを加熱して圧力を保持するためにご使用できます。

【効果】
高圧液化ガスの圧力低下はいろいろなところで障害を引き起こします。そのためガス消費事業者様はいろいろな対策をとっていると思います。特に高圧ガス容器は40℃以上に上げることはできず、可燃性ガスは火気(電気を含む)を直接使用できません。この加熱器は温水を循環させて容器を温める機器なのでそれらの問題はありません。
【PR】
受注生産品です。架台下部にロードセルやキャスターを付けることができます。
| 文献番号 | 特許第6833223号 |
|---|---|
| 資料請求番号 | 20100007 |
| 用途 | 低温時の大型液化ガス容器(500㎏から1000㎏位)の蒸気圧力の低下を防止するためにご使用ください。 |
| 技術内容 | 液化ガスの大型容器はそのガス体または液体を供給するとき、一定の圧力がなければ移送できません。そのため容器を加熱するためにいろいろな方法が講じられています(特に冬場)。特に可燃性ガスの場合、火気(電気も含む)は高圧ガスの法律上使用できません。一般にボンベにお湯を直接かける等の方法が講じられていますが、ボンベの錆の発生、排水等でいろいろな不都合が起きています。当発明品はそれらの不都合をなくすために、お湯を流すチューブをボンベ半分に等間隔で接触させ、チューブにお湯を流せば加熱できる加熱器です。 |
| 権利者 | 有限会社両国設備 |
| 権利者関連リンク | ボンベ保温筒及びこれを備えるボンベ保温装置 袋ナット カードル搬送貯蔵システム 高圧ガスボンベ収納庫 |
(敬称略)
「NewテクノマートSO(創)」に関するお問い合わせは お問い合わせフォーム まで
