アナライザー用ストリーム切替バルブ
Stream Switching System
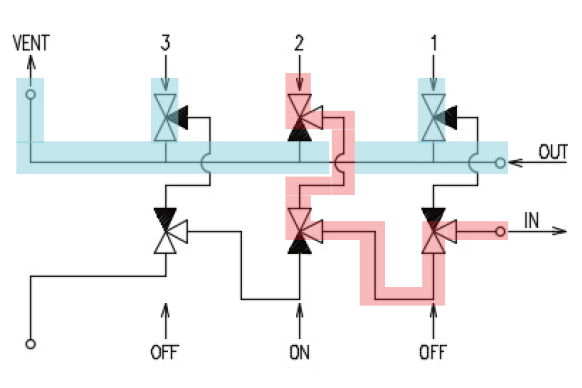
すばやく流路を制御
バルブの駆動させると任意の流体のみを分析器に供給し、閉時に内部に残る不要な流体を排出します。
モジュールだけ交換可
ボルト連結構造のため、現場で容易にバルブモジュールの増設・交換が可能。
高耐久化を実現
半導体向けバルブ技術のノウハウを用いて、200万回以上の高耐久化を実現。

安定したシート性能
ステムにガイド機能を持たせ、安定したシート性能を実現。貴重なサンプリングガスを無駄にしません。
オプション仕様
ファスト・ループキット
Internal Fast Loop
大気圧ベントキット
Atmospheric Reference Vent
| 製品名称 | ステンレス鋼製1MPa 1/8 NPT ねじ式 気体作動 ニードル切替弁 | |
|---|---|---|
| 製品番号 | (3連代表例)GVSPR-UCTF-21A-3B7 | |
| 設計圧力 | 1MPa | |
| 使用温度範囲 | -10~+80℃ | |
| 材質 | ボディ | ASTM A479 316 |
| ディスクパッキン | PCTFE | |
| Oリング | フッ素ゴム | |
| 耐久性 | 実験値 | 2,000,000回以上 |
| 呼び径 | 1/8OD | |
| Cv値(20℃窒素ガス) | 0.1 | |
| 操作圧力 | 0.4~0.5MPa | |
| 接続継手の種類 | ねじ込み式 NPT 1/8 | |
| 備考 | 接液部にフッ素系グリス塗布 | |
お問い合わせは



